Passer au contenu principal
Project Willys MB43
Project Willys MB43
Project Willys MB43
Project Willys MB43
  • Accueil
  • Project Willys MB43
    • Etat des lieux
    • Daily Workshop
    • Restauration Step by Step
      • 01.Présentation du projet
      • 02.Restauration du chassis
      • 03.Restauration du pont AR
      • 04.Restauration du pont AV
      • 05.Montage des suspensions
      • 06.Restauration de la direction
      • 07.Restauration de la boite de transfert
      • 08.Restauration de la boite de vitesse
  • La "Jeep" Willys
    • Histoire de la "Jeep" Willys
    • Les différents modèles de Jeep
    • Anatomie de la Willys MB
      • Alimentation en essence
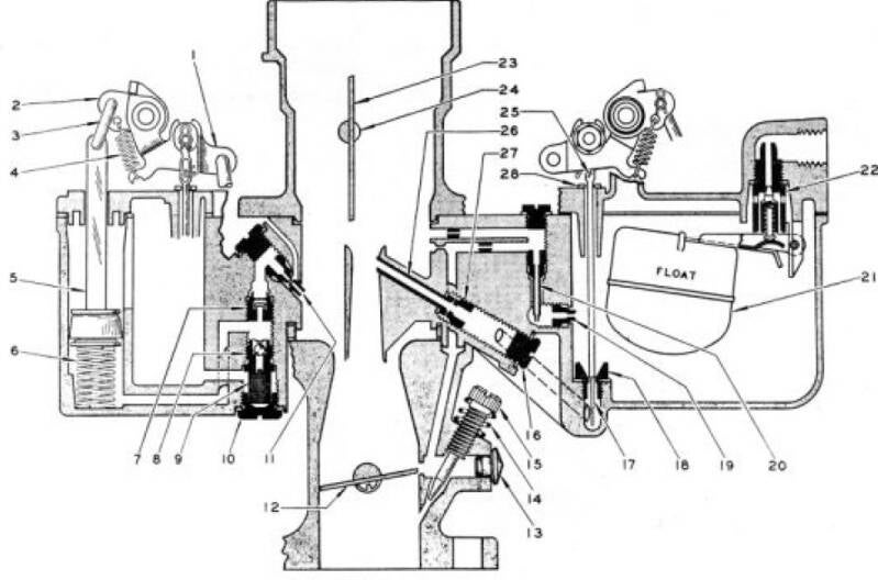
        • Carburateur
        • Accelérateur et commande des gaz
        • Pompe à essence
        • Filtre à essence
        • Epurateur d'air
      • Boites et transmission
        • Boite de vitesse
        • Boite de transfert
        • Arbres de transmission
      • Direction
        • Ensemble de la direction
        • Barre de direction
        • Elements sur pont avant
      • Echappement
        • Dispositif d'échappement
        • Volet de commande des gaz d'échappement
      • Electricité
        • Schéma du câblage électrique
        • Tableau de câblage
        • Dispositif d'éclairage
        • Phares avant
        • Phares de blackout
        • Projecteur blackout
        • Phares arrières et de stop
      • Embrayage
        • Commande de l'embrayage
        • Embrayage
      • Freins
        • Dispositif de freinage
        • Freins
      • Moteur
        • Coupe longitudinale
        • Coupe transversale
        • Bloc cylindre
        • Carter d'huile
        • Commande de soupapes
        • Vilebrequin et pistons
        • Pompe à huile
        • Filtre à huile
      • Ponts
        • Pont avant
        • Pont arrière
      • Refroidissement
      • Suspension
        • Suspension avant (gauche)
        • Suspension arrière
        • Jumelle de ressort
        • Axe de ressort
      • Liste complète des pièces
    • La "Jeep" dans tous ses états
      • La Jeep dans la bande-dessinée
        • La Jeep dans "Tintin"
        • La Jeep dans "Spirou et Fantasio"
      • La Jeep au cinéma
        • La Jeep dans "Cars"
        • La Jeep dans "Le gendarme"
  • Jeep Database
    • Living Jeep Registry
  • Sources
  • Liens
  • Contact

Alimentation en essence

Carburateur
Accélérateur et commande des gaz
Epurateur d'air
Pompe à essence
Filtre à essence
HAUT
Facebook Instagram YouTube WhatsApp
Partager Partager Partager Partager
© 2024 - 2026 Project Willys MB43
Propulsé par Webador